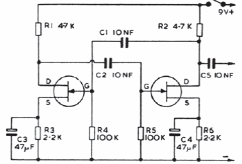
This circuit generates signals whose frequency depends on C1 and C2. JFETs are common types like BF245 or MPF102.
Found in an old Popular Electronics, the purpose of this circuit is to give a strong discharge in an...
The circuit shown is from the 1993 Motorola Linear Interface ICs. The power source may be common...
Indicated by a Popular Electronics of the 90s originally to measure the light determining the exposure...