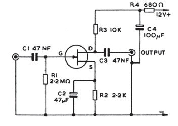
This preamp was found in an old English publication. Any usage JFET can be employed. The output is high impedance.
June 2017 - The new touch switches C & K KXT series can now be obtained from Mouser Electronics. These...
This is one of the many anti-deboucer circuits the reader can find on this site. The base is TTL...
The circuit presented, from the Analog Devices linear integrated circuits manual, has compensation for...