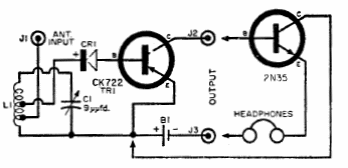
This 50's receiver includes an amplifier stage with a transistor complementary to the CK722, in this case the 2N35. The phone must be a high impedance type.

This 50's receiver includes an amplifier stage with a transistor complementary to the CK722, in this case the 2N35. The phone must be a high impedance type.
