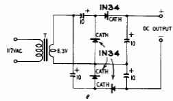
Found in documentation from the 1960s, this power supply employs germanium diodes from the time. Its maximum current is a few milliamps.

Found in documentation from the 1960s, this power supply employs germanium diodes from the time. Its maximum current is a few milliamps.
