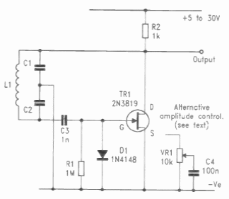
Found in an English documentation from the 90's, this oscillator has the frequency given by the LC circuit. The JFET can be any general-purpose one.

Found in an English documentation from the 90's, this oscillator has the frequency given by the LC circuit. The JFET can be any general-purpose one.
