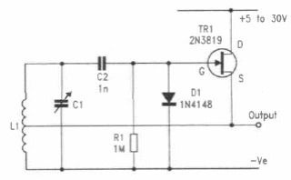
The difference between this oscillator in relation to the previous one is in the use of source coupling. Any general purpose JFET can be used.

The difference between this oscillator in relation to the previous one is in the use of source coupling. Any general purpose JFET can be used.
