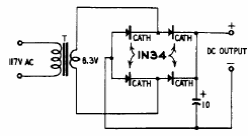
This source was obtained from a book on transistors from the 60's. The circuit uses germanium diodes, and the maximum current is a few milliamps.

This source was obtained from a book on transistors from the 60's. The circuit uses germanium diodes, and the maximum current is a few milliamps.
