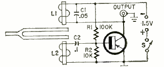
This circuit that uses a mechanical tuning fork was found in Radio Electronics magazine from June 1962. The circuit is powered by a battery or source.

This circuit that uses a mechanical tuning fork was found in Radio Electronics magazine from June 1962. The circuit is powered by a battery or source.
