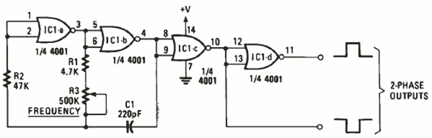
This is a common oscillator configuration that generates rectangular signals in phase opposition. This circuit is from October 1986 Radio Electronics.
This circuit was found in an American documentation of the 90s. Optical resources with the LDR as a...
This circuit is used to test an inductor (coil) allowing the observation of its opration in an R-L...
This circuit is suggested by Motorola, using a 4N26 type coupler and an MC1733 type operative. However,...