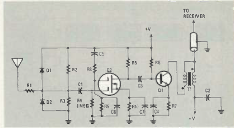
Although it uses a dual-channel FET, which is hard to find today, this circuit was released in a Radio Electronics issue in April 1986. It serves as a signal booster for a wide range of frequencies.
This circuit is from an 80's documentation. The transistor can be any general purpose PNP and the...
This powerful pushbutton uses a power MOSFET. We found it in a Popular Electronics magazine from...
This shield circuit for lamps and other charges was found in a Popular Electronics from the 90's....