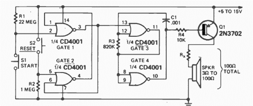
This alarm circuit triggers when S1 opens. The circuit from a January 1975 Radio Electronics magazine can be used with interrupt sensors connected in series.
Nothing more useful on the bench than a variable voltage source. This is the source we found in...
We found this circuit, which appears with variations on this site, in a European documentation from the...
This circuit is used to fire an auxiliary flash when the machine's main flash operates. With two...