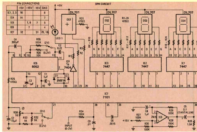
This circuit is from a March 1978 Radio Electronics magazine article that showed how to build it. The circuit is TTL based and is powered. The components used can still be found.
Nothing more useful on the bench than a variable voltage source. This is the source we found in...
We found this circuit, which appears with variations on this site, in a European documentation from the...
This circuit is used to fire an auxiliary flash when the machine's main flash operates. With two...