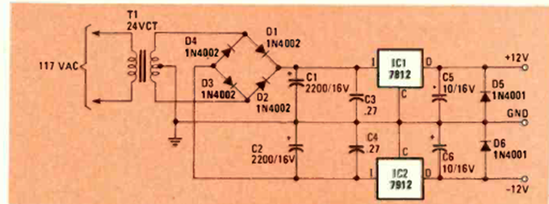
This symmetrical power supply appears in our section in many versions. This one is from the Radio Electronics magazine of July 1984. Integrated circuits must be equipped with a heatsink. The voltage is 12 + 12V and the current is 1 A.
This symmetrical power supply appears in our section in many versions. This one is from the Radio Electronics magazine of July 1984. Integrated circuits must be equipped with a heatsink. The voltage is 12 + 12V and the current is 1 A.