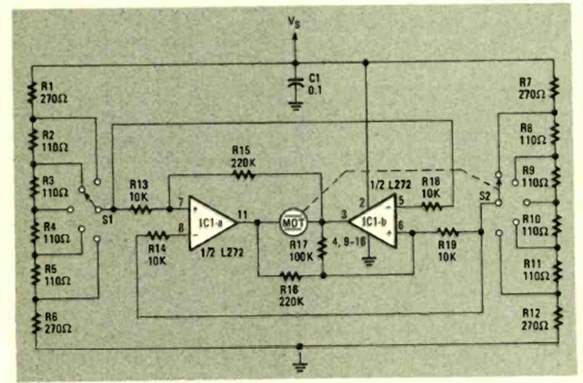
This DC motor control uses a power operational amplifier. We found it in December 1984 in the Radio Electronics magazine. The amplifier must be mounted on a heat sink and the maximum current is 1 A.
This circuit connected to the input of a good amplifier, with suitable coils can tune stations of medium...
This circuit was obtained in an American documentation of 1975. The transistor can be the BC548, and...
The values of the components of this Mullard (Philips) circuit depend on the desired voltages. The...