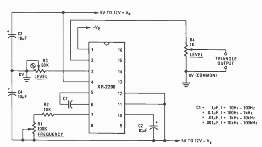
Found in an April 1977 Radio Electronics issue, this circuit uses the well-known XR2206. The C1 values for the various frequency bands are given next to the diagram.
This simple radio was found in a Popular Electronics from the 90s. L1 and L2 have 100 turns on a...
This circuit was found in Radio Electronics magazine from the 90's. The circuit is for small NiCad...
This automotive circuit was obtained from an 80's schematic from the integrated circuit factory...