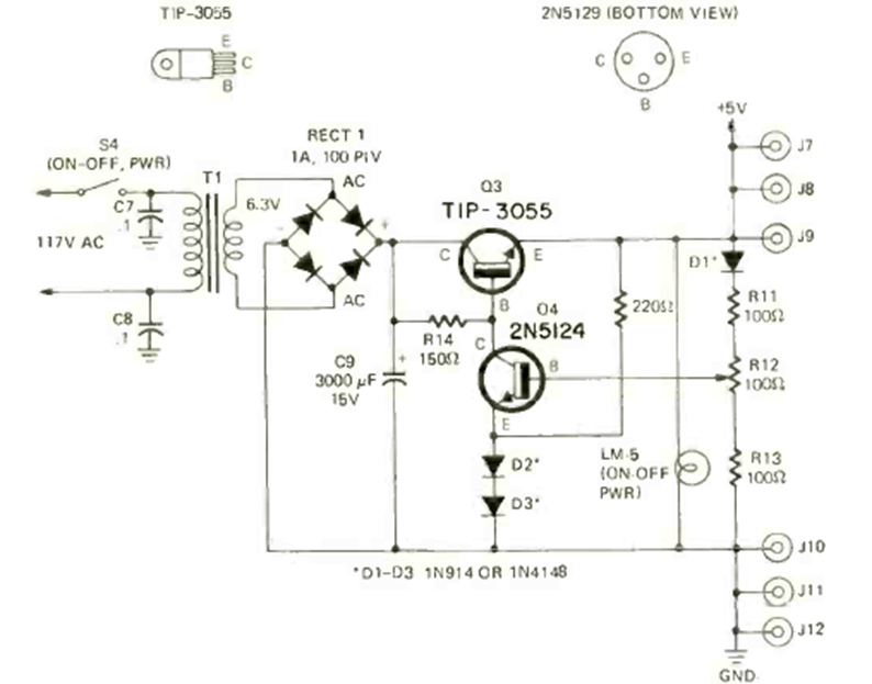
We found this TTL power supply circuit in the December 1972 issue of Radio Electronics magazine. The circuit uses a 1 A transformer and the 2N3055 transistor must be equipped with a good heat sink.
This circuit can operate with signals up to 60 MHz using the indicated operational. We found it in...
This circuit takes advantage of the noise generated at the reverse biased junction of a germanium...
Equivalent transistors can be used on this 80's circuit. Any general purpose PNP transistor can work...