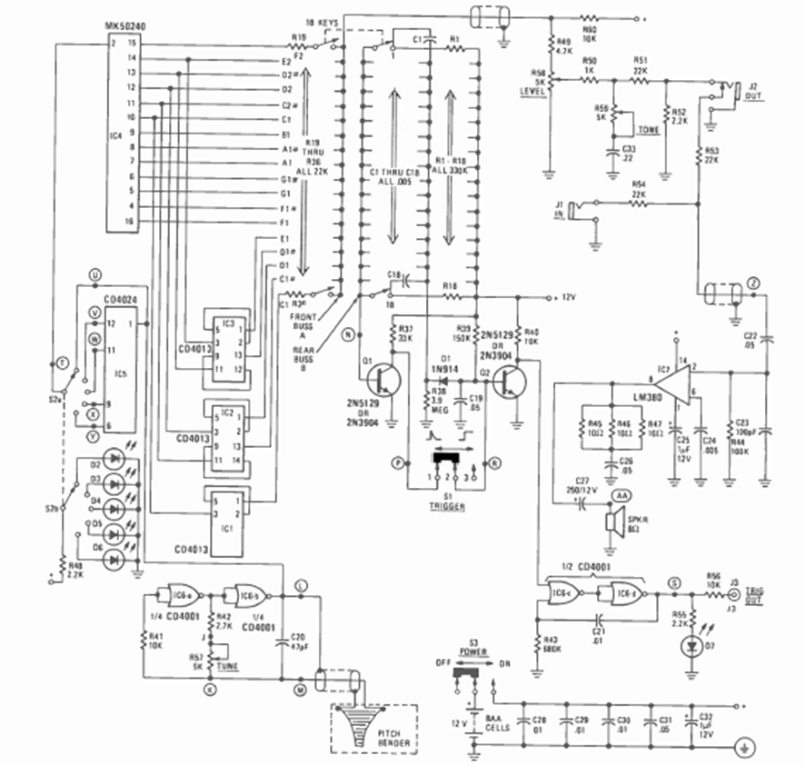
The assembly of this circuit was described in the January 1977 issue of Radio Electronics magazine. The project uses a special circuit of the time consisting of an octave generator that simplifies this type of project and was used in commercial equipment.




