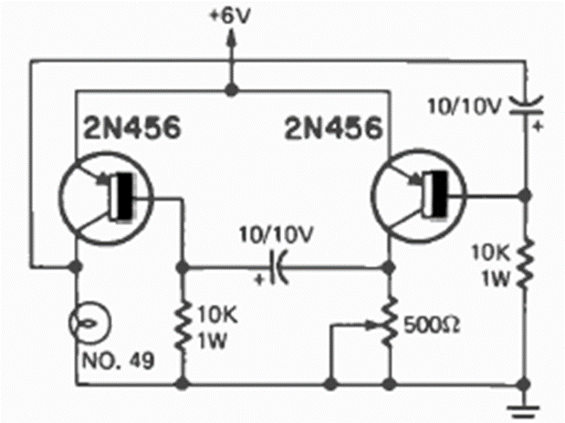
This incandescent bulb stroboscope was found in the February 1974 issue of Radio Electronics magazine. The bulb is rated at 50 to 100 mA and the transistors may be BC558s.

This incandescent bulb stroboscope was found in the February 1974 issue of Radio Electronics magazine. The bulb is rated at 50 to 100 mA and the transistors may be BC558s.
