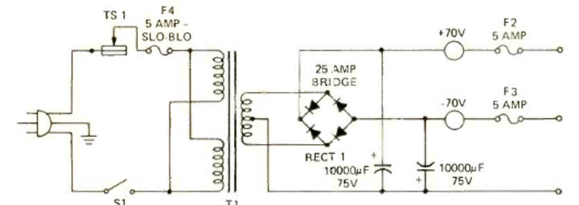
This circuit is the power supply for the amplifier in the previous circuit. The transformer is 5 A with a voltage of 45 V, obtaining 70 V after rectification.
The circuit shown is suggested by National Semiconductor's Linear Applications Handbook. The base...
This circuit uses a pickup coil to take the signal from a telephone line without contacts. The circuit...
In this circuit, the transistors are NPN for general use and the phototransistors can be replaced by...