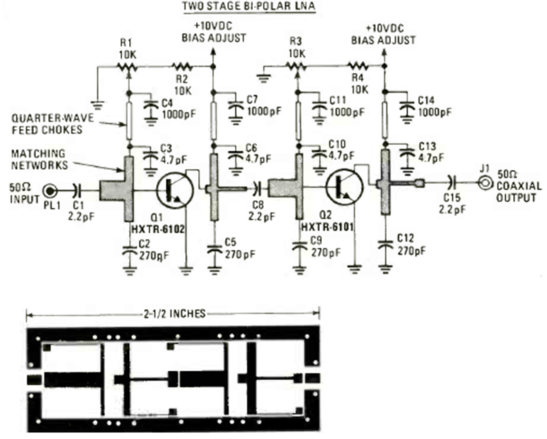
Used in satellite TV receptions in the 1980s, this circuit was found in the March 1980 issue of Radio Electronics magazine. Note the board layout.
This circuit was found in a Popular Electronics from the 90s. The circuit uses a ceramic capsule as...
This circuit for link or alarm was found in the Encyclopedia of Electronic Circuits Volume 5 of...
This 15 W power stage was found in Radio Electronics magazine from August 1959. The transistors are the...