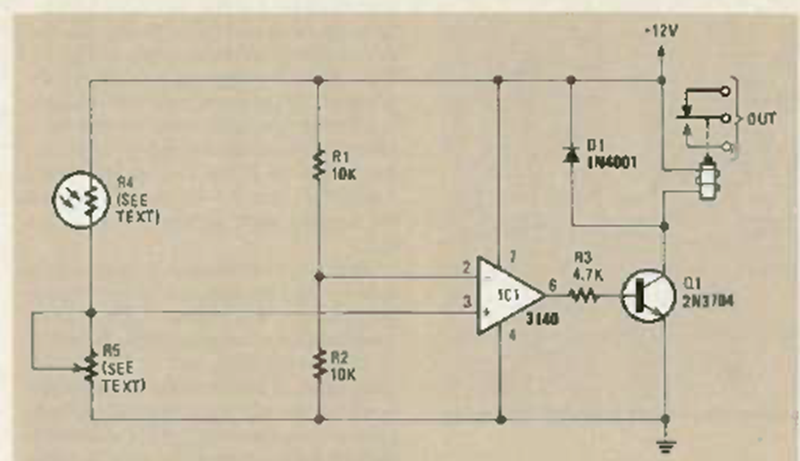
This circuit triggers the relay when the temperature exceeds the value set on the trimpot. The circuit is from Radio Electronics, June 1986. The sensor is an NTC, and the adjustment value depends on this component.
This circuit triggers the relay when the temperature exceeds the value set on the trimpot. The circuit is from Radio Electronics, June 1986. The sensor is an NTC, and the adjustment value depends on this component.