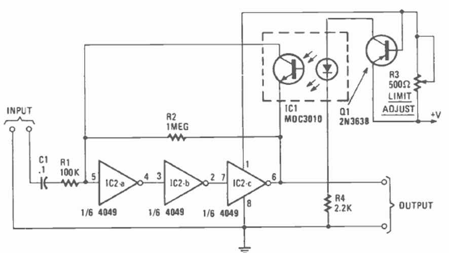
This circuit is a continuation of the previous one, serving as a protector against overloads in amplifiers. The circuit was published in an article in the magazine Radio Electronics in January 1985.
This circuit with 3.3 MΩ input impedance was found in the October 1993 issue of Electronics Now...
Despite being from a 1970 General Electric documentation this circuit can be used as a shield if...
This amplifier for public address was found in English documentation from 1967. The transistors are from...