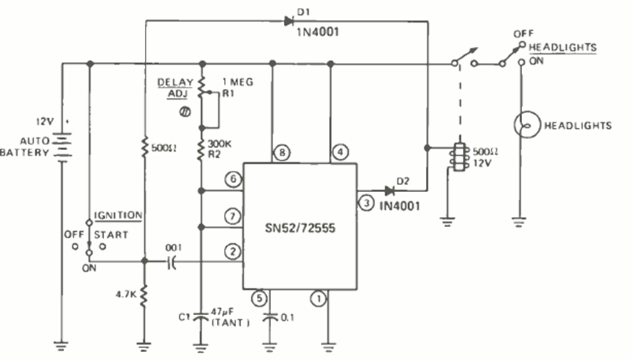
This circuit was found in February 1976, Radio Electronics magazine. The circuit is powered by 12 V and consists of an intermittently triggered timer.
This source, found in a 1991 publication, was originally designed to operate with the CB18736E, an alarm...
We found this circuit in a publication of 1990. With the changes it can be mounted easily today....
This circuit mimics the sound of a siren when we turn the axis of the small DC motor. The...