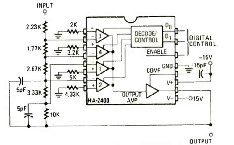
This circuit with the HA2400 was found in the March 1980 Radio Electronics magazine. The circuit has digital-gain control and must be powered by a symmetrical 15 V source.
We have several circuits like this on the website. What it does is generate a signal in the range...
Found in American documentation from 1968 this circuit is based on discrete components in addition...
By connecting several photocells in series, we can directly activate a sensitive relay, as shown in...