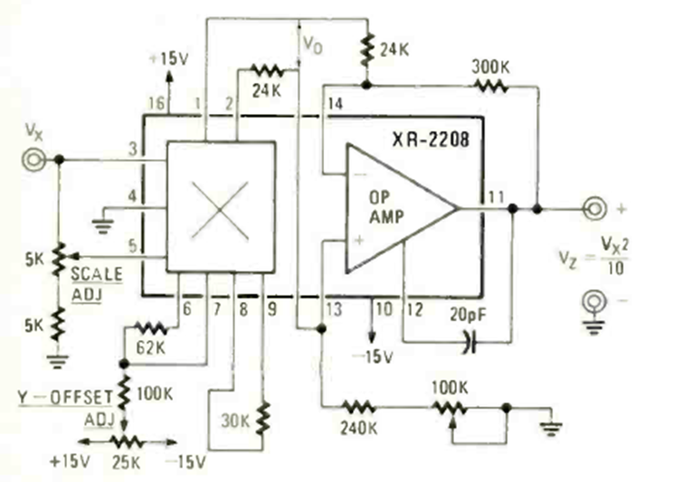
This circuit with the XR2206 IC squares the value of a voltage. The circuit was published in the April 1978 issue of Radio Electronics magazine and should be powered by a symmetrical 15 V source.
This circuit was originally used in a 1989 documentation presence simulator. The circuit activates...
This old circuit uses an operational one from the 70s, but it is still useful in current projects. The...
We found this circuit in a Popular Electronics from the 80s. The circuit is based on the LM3909, a low...