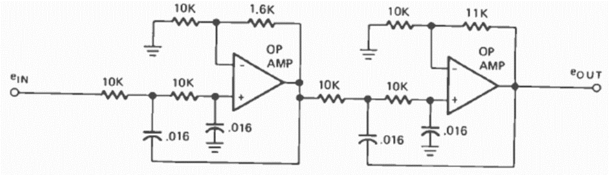
This circuit with 24 dB per octave attenuation was found in the November 1973 Radio Electronics magazine. The components are for 1 kHz but can be recalculated for other frequencies.
We found this circuit in a 90's European schematic. The circuit can be implemented with almost any...
This circuit appears several times on our website and in this section, for various purposes and minor...
Among other things, this oscillator is suitable for practicing Morse code. The circuit is from a...