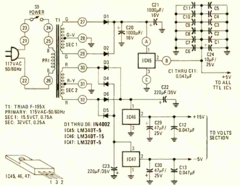
We found this circuit in the April 1979 Radio Electronics magazine. Note the filter capacitor bank that can now be replaced by a single equivalent value capacitor.
We found this circuit in an old documentation from the 70s, but it can be assembled with more...
This circuit controls a fan in the car, according to the temperature, activating it automatically when the...
This circuit was obtained from a 1967 General Electric documentation. The circuit makes use of...