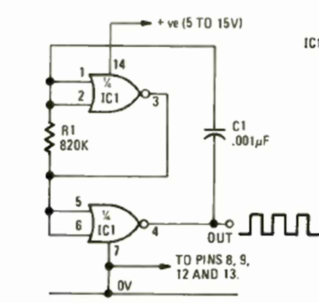
This basic CMOS 4001 circuit was found in the April 1976 issue of Radio Electronics magazine. The circuit generates rectangular signals, and the components can be changed to obtain other frequencies.
This circuit was found in 1980s documentation. The circuit uses components from that time serving for...
Capacitor C and resistor R in this circuit determine the time the output remains at the high level...
This simple alarm with SCR triggers a buzzer. It was found in the Encyclopedia of Electronic...