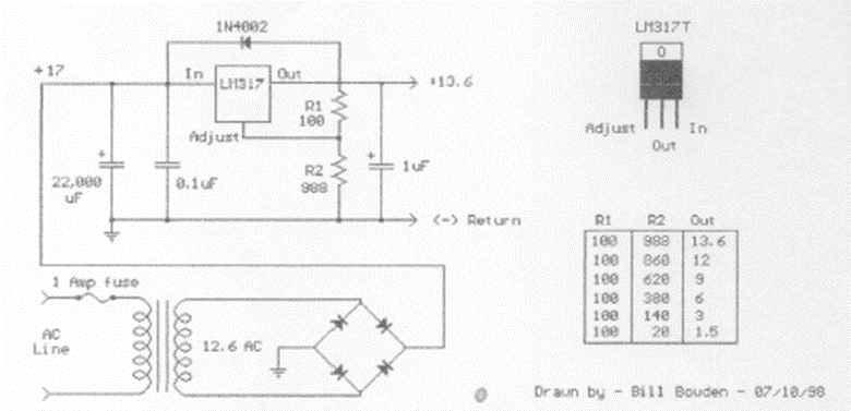
The diagram is from a 1990s document. The integrated circuit must be equipped with a heat sink. The table shows the component values for different output voltages.
Because it uses TTL integrated circuits, this siren must be powered by 5 V or as indicated with D1 to...
The correct connection of speakers and tweeters in a speaker to obtain better sound quality,...
The CMOS PLL used on this circuit is not very common. The circuit can be used to take out contact...