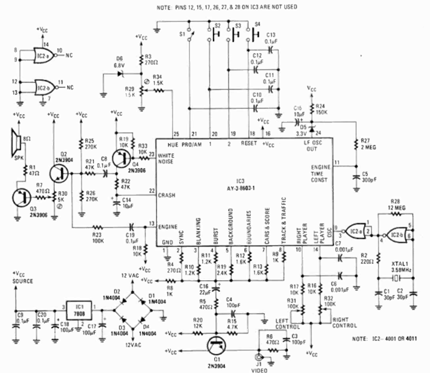
This is the traditional circuit from the 1980 racing video game with the AY3-6603-1 that we also published at the time in our magazines. This circuit is from the Radio Electronics magazine of August 1980.
We found this circuit in a Popular Electronics of the 90s. The circuit uses a touch sensor formed by...
This circuit, which uses only common transistors, was obtained from a 1988 publication, but can be...
The purpose of this game obtained in a 1998 documentation is to guess the number that the circuit...