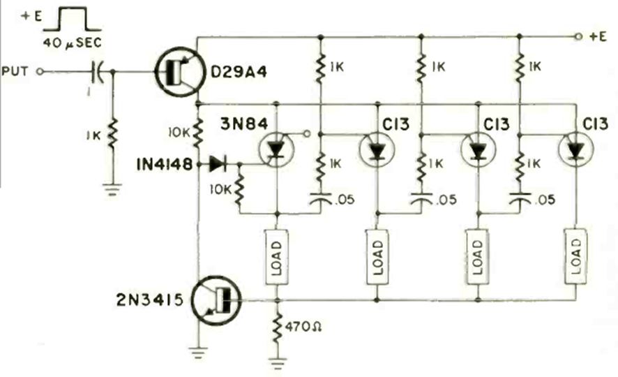
This circuit digitally counts input pulses. The circuit from a November 1970 Radio Electronics uses unijunction programmable transistors. Note the counted pulse duration.
This relaxation circuit was found in a 2002 documentation. Several articles dealing with white...
The recommended distance between the emitter and the sensor of this coupler is 15 mm. The circuit is...
We found this test circuit in the November 1999 issue of Electronics Now magazine. The circuit is to be...