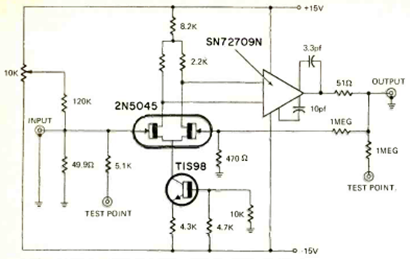
This circuit was suggested by Texas Instruments in the January 1973 issue of Radio Electronics magazine. The transistor is a matched pair type, and the operational transistor is the well-known 709 with the Texas acronym SN and 72 to indicate linear.
This circuit was suggested by Texas Instruments in the January 1973 issue of Radio Electronics magazine. The transistor is a matched pair type, and the operational transistor is the well-known 709 with the Texas acronym SN and 72 to indicate linear.