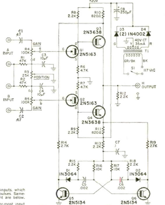
This electronic switch published in the July 1970 Radio Electronics magazine allows the observation of two signals on a simple oscilloscope. The circuit is for signals up to 300 kHz. The transistors are types of the time.

This electronic switch published in the July 1970 Radio Electronics magazine allows the observation of two signals on a simple oscilloscope. The circuit is for signals up to 300 kHz. The transistors are types of the time.
