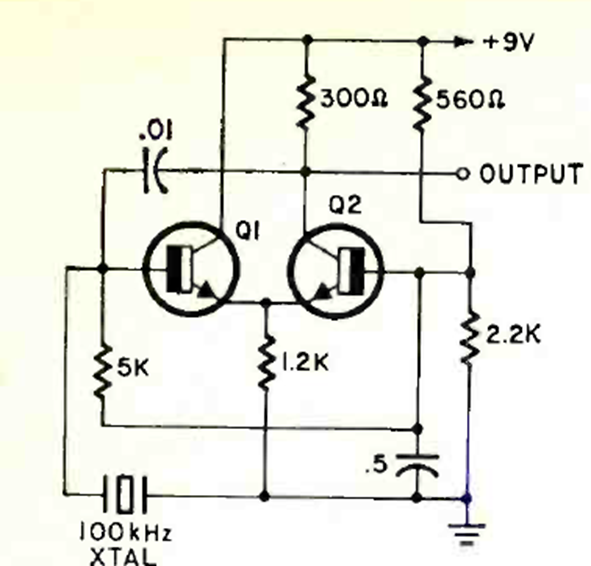
This two-transistor emitter-coupled oscillator circuit with capacitive feedback was found in the May 1970 issue of Radio Electronics magazine. Crystals of other frequencies may be used.

This two-transistor emitter-coupled oscillator circuit with capacitive feedback was found in the May 1970 issue of Radio Electronics magazine. Crystals of other frequencies may be used.
