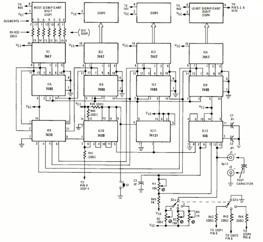
This circuit was found in the December 1977 issue of Radio Electronics magazine. The 4-digit circuit is based on TTL logic and must be powered by a voltage of 5 V.
In current sensors such as the INA185 from Texas Instruments, protection against input transients can be...
This circuit consists of a controlled charge to discharge batteries under test. The circuit is...
This high-impedance headphone circuit was found in a 1990s William Sheets. The power is low, but...