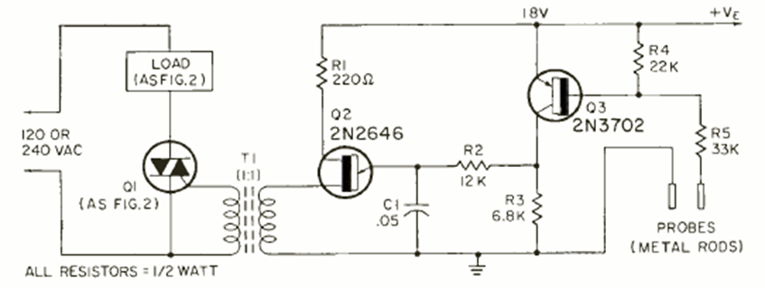
This circuit is from a July 1970 Radio Electronics magazine. The sensors are metal probes. The 18 V power source must be isolated from the mains.
S The purpose of this circuit, found in a 1975 publication, is to suppress the noise that occurs when...
This circuit generates signals for the calibration of IFI (Intermediate Frequency) of traditional AM and...
This dual-operator thermometer circuit was found in the September 1982 issue of Radio Electronics...