This circuit was found in the September 1977 issue of Radio Electronics magazine. The power supply is included, and the logic used is TTL.
S The purpose of this circuit, found in a 1975 publication, is to suppress the noise that occurs when...
This circuit generates signals for the calibration of IFI (Intermediate Frequency) of traditional AM and...
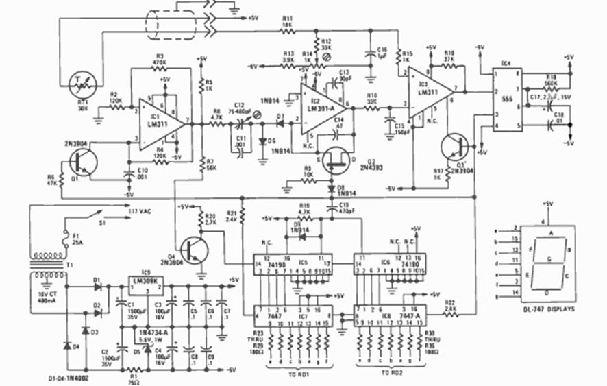
This dual-operator thermometer circuit was found in the September 1982 issue of Radio Electronics...