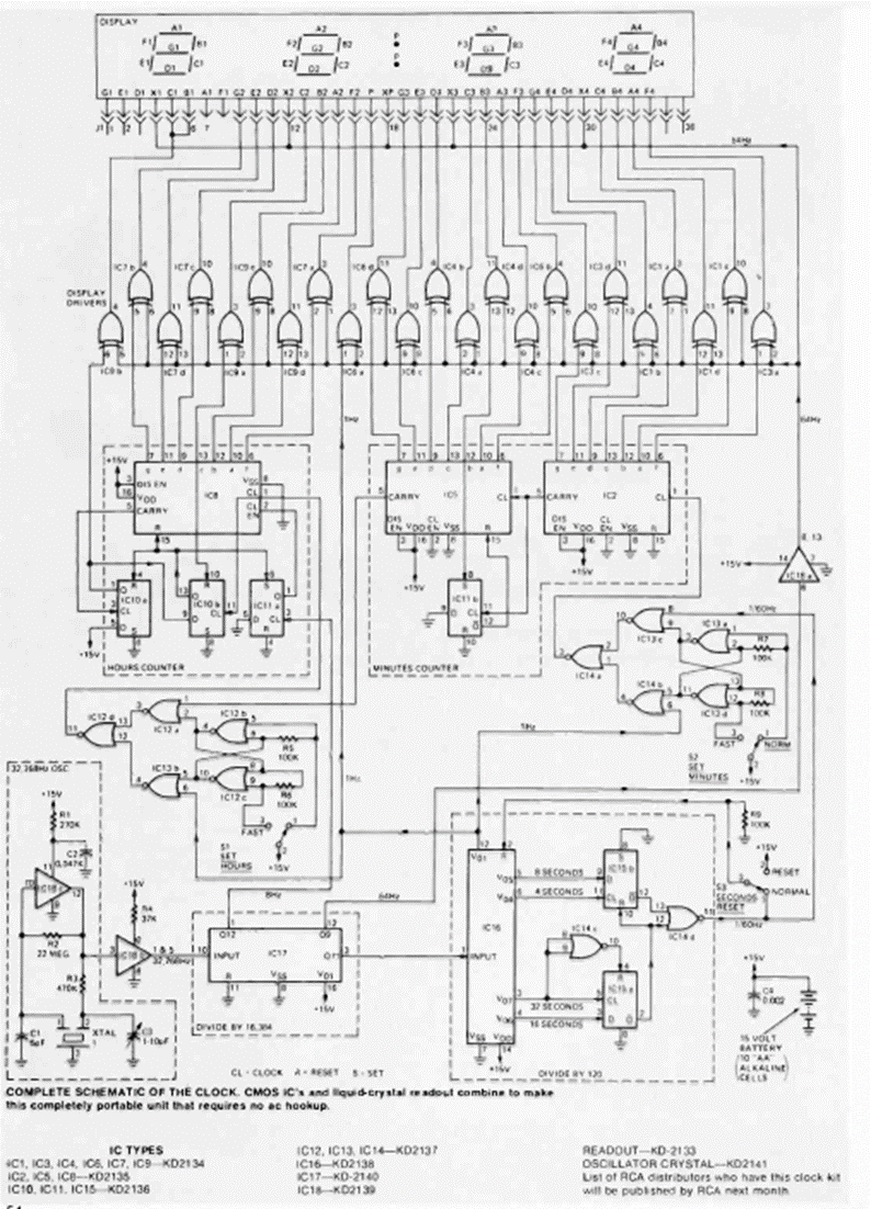
This CMOS logic-based circuit was found in the April 1974 issue of Radio Electronics magazine. The circuit is based on a period display and has hour and minute indications.
The operational amplifier of this circuit is not very common today, because we removed the circuit...
This circuit was found in a 1980s documentation. The diodes may be general purpose diodes such as 1N34...
Found in a 1967 General Electric SCR manual, this circuit uses a neon lamp to produce opposing SCR...