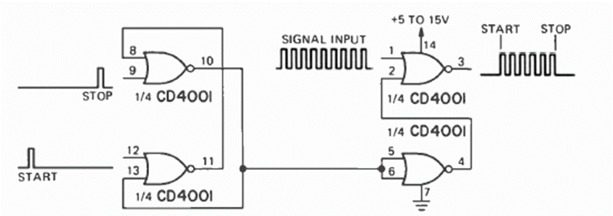
We found this circuit in the October 1974 issue of Radio Electronics magazine. Note the waveforms obtained for the control and controlled signals.
This shield circuit allows recording of the signal from a serial output on a cassette recorder, with...
This Japanese radio receiver is from the 60s. It has 6 transistors and is powered by 4 batteries with...
The integrated circuit used is a voltage reference from Motorola. This configuration was obtained in...