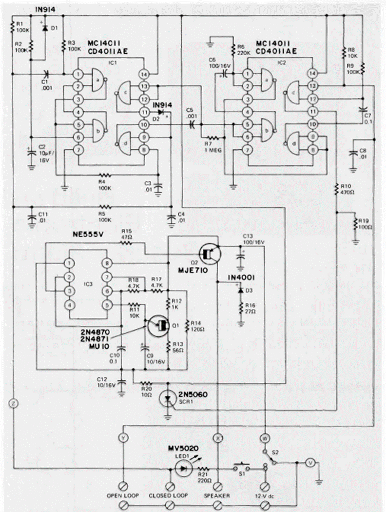
Found in the April 1974 issue of Radio Electronics magazine, this circuit is based on CMOS technology that was becoming increasingly popular at the time. The alarm circuit has multiple sensor inputs and includes an audible warning system.
Found in the April 1974 issue of Radio Electronics magazine, this circuit is based on CMOS technology that was becoming increasingly popular at the time. The alarm circuit has multiple sensor inputs and includes an audible warning system.