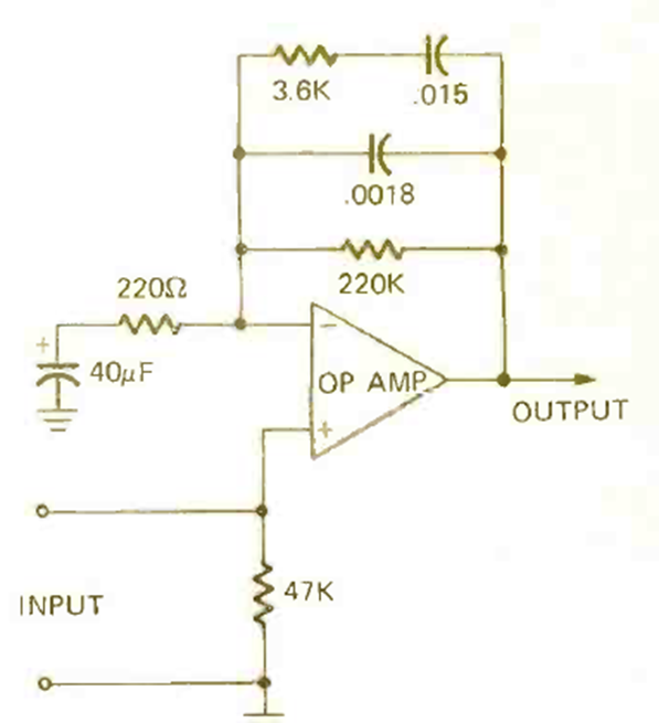
Intended for use with signals from tape recorder pickups, this circuit was found in the December 1972 issue of Radio Electronics magazine. Any operational equalizer can be used, and the output is low impedance.

Intended for use with signals from tape recorder pickups, this circuit was found in the December 1972 issue of Radio Electronics magazine. Any operational equalizer can be used, and the output is low impedance.
