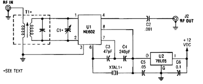
We found this Popular Electronics puma circuit from the 90s. Transformer T1 determines the frequency range received and the crystal the frequency at which the converted signal will be received.
We found this Popular Electronics puma circuit from the 90s. Transformer T1 determines the frequency range received and the crystal the frequency at which the converted signal will be received.