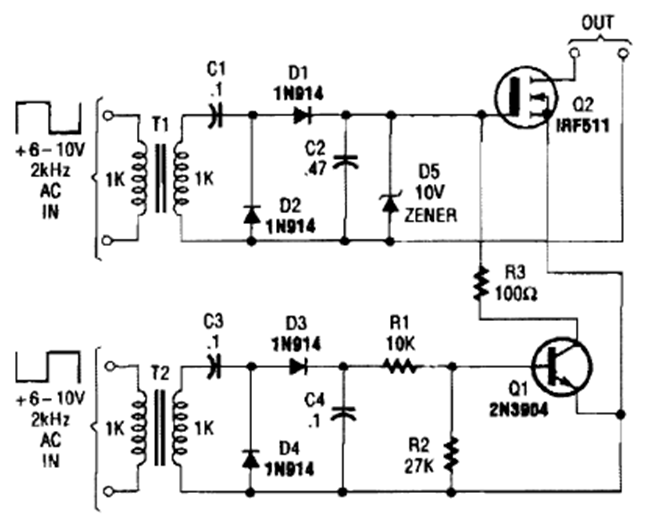
This circuit switches power loads with audio signals. The circuit is from a Popular Electronics from the 90s. The components can be changed depending on the signal used.
Found in a 90s documentation, this circuit triggers the SCR when there is an overvoltage in order...
The presented circuit makes use of operational ones that are not common in the market. More modern...
In the figure we have a monostable that is activated with switch S1 and pressed for an instant. The...