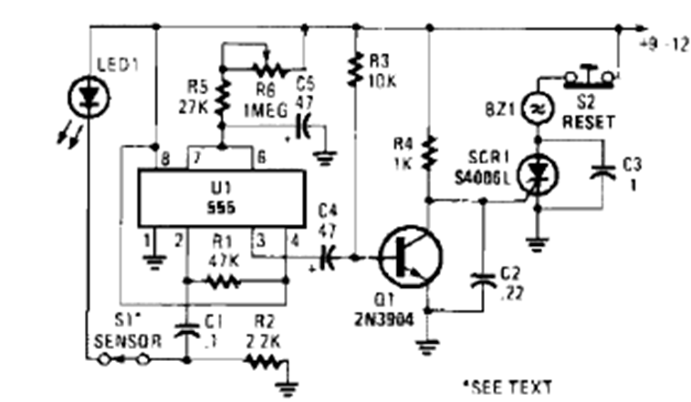
This 555-based circuit was obtained from the 1995 Encyclopedia of Electronic Circuits volume 5. It triggers an SCR when the transistor is cut off.
This circuit activates an output, which can be a lock, only when a card containing the programmed code...
Found in an October 1992 Radio Electronics magazine article, this circuit generates a low-power tone in...
Found in a manufacturer documentation from the 90s, this circuit makes use of period components. The...