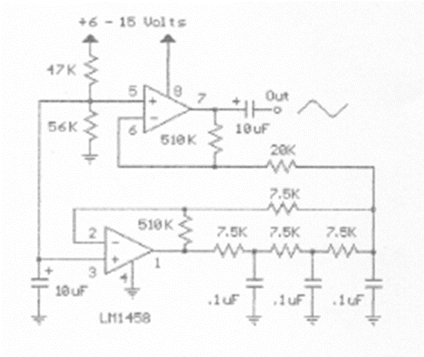
This circuit is based on operational ones found in documentation from the 90s. The frequency with the indicated values is around 600 Hz.

This circuit is based on operational ones found in documentation from the 90s. The frequency with the indicated values is around 600 Hz.
