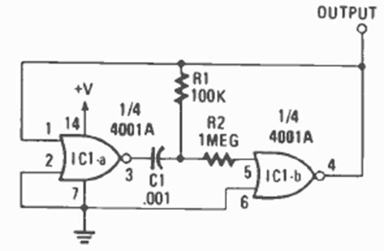
This oscillator was found in the January 1987 issue of Radio Electronics magazine. The frequency is adjusted by C1, and the output has good symmetry. The power supply is typically 3 to 12 V.
This resistive load circuit for source testing was found in a 1991 publication. Power transistors must be...
No information is given about the transformers in this circuit suggested by Motorola in a 1968...
This circuit was obtained from the February 1990 issue of Radio Electronics magazine. The circuit...