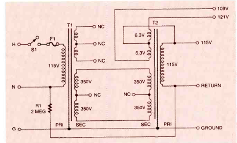
The figure shows an excellent benchtop isolation transformer system. This circuit was suggested by Electronics Now in December 1997.
This unusual audio amplifier configuration was obtained in a 1974 documentation. The PNP...
This circuit was obtained in a 1990 English magazine. The circuit can be assembled with equivalent power...
Found in National Semiconductor documentation, this logarithmic meter is powered with a voltage of only...