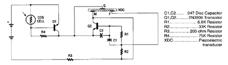
We found this circuit in the Encyclopedia of Electronic Circuits Volume 5 from 1995. It uses a 3-terminal transducer from the time. The circuit is triggered by light.
In the figure we have a solar power source for experiments with this type of energy. The cells must...
This other photodiode amplifier uses an operational amplifier in the non-inverting mode and in the...
With the circuit shown in the figure, the frequency of a 5 MHz oscillator controlled by crystal can...