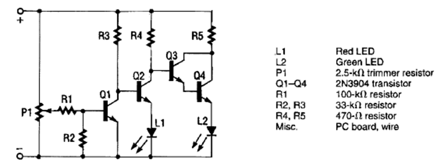
This automotive grade circuit was found in a 1991 Electronics Hobbyist. The transistors are general purpose types. P1 sets the monitoring voltage.
In the figure we have a solar power source for experiments with this type of energy. The cells must...
This other photodiode amplifier uses an operational amplifier in the non-inverting mode and in the...
With the circuit shown in the figure, the frequency of a 5 MHz oscillator controlled by crystal can...