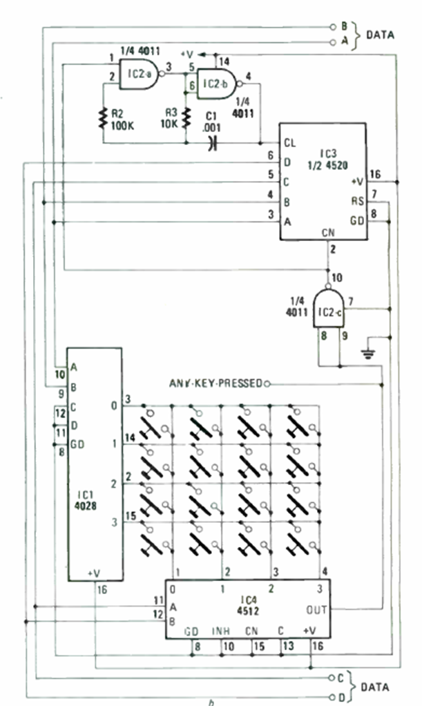
This circuit uses common CMOS components. We found it in the July 1987 issue of Radio Electronics magazine. The circuit decodes the actuation of 16 pushbutton switches.

This circuit uses common CMOS components. We found it in the July 1987 issue of Radio Electronics magazine. The circuit decodes the actuation of 16 pushbutton switches.
